Магнитола представляет собой всеволновый тюнер, схему записи и воспроизведения звука на магнитной ленте и тракт усиления низкой частоты. Часто магнитолой называют кассетный магнитофон без приёмника радиосигналов. Компактными магнитолами комплектуются салоны автомобилей. Наиболее уязвимым местом такого устройства является лентопротяжный механизм, касетоприёмник и магнитные головки, которые изнашиваются, при этом низкочастотная часть остаётся вполне работоспособной. Поэтому собрать усилитель звука из автомагнитолы своими руками совсем несложно.
Содержание
Как сделать усилитель звука из магнитолы
Многие автолюбители используют усилитель низкой частоты от автомобильной магнитолы для подключения к нему внешних источников звука. Это может быть телефон, смартфон или планшет. Подключение этих устройств может быть реализовано несколькими способами. Самый простой вариант это использование кассетного адаптера.
Это устройство представляет собой стандартную кассету, внутри которой находится несколько пластиковых шестерёнок для имитации работы лентопротяжного механизма и магнитная головка. К выводам головки припаян провод, заканчивающийся разъёмом Mini jack 3,5 мм. Этот разъём вставляется в гнездо AUX OUT любого внешнего устройства. Сигнал звуковой частоты с источника поступает на магнитную головку адаптера, которая выполняет функцию передатчика. Звуковой сигнал поступает на головку адаптера, при этом вокруг неё образуется переменное магнитное поле, которое воспринимается магнитной головкой автомагнитолы. Далее сигнал усиливается и поступает на акустическую систему автомобиля.
Данная конструкция обладает следующими достоинствами:
- низкая цена;
- не требуется источник питания;
- может быть подключена к любому устройству;
- хорошее качество звука.
Основным достоинством данного устройства является то, что автомагнитолу не нужно вскрывать и паять дополнительные провода. Использовать кассетный адаптер может практически любой автовладелец. Недостатком является необходимость включать магнитолу в режим воспроизведения, при этом слышен звук от работающего лентопротяжного механизма и шестерёнок адаптера. Чтобы избавиться от этого, достаточно отпаять один из проводов питания электродвигателя, так как в этой конструкции он не нужен. Кассетный адаптер можно использовать с любыми автомобильными магнитолами.
Если узел кассетоприёмника сломан, то сделать усилитель звука из автомагнитолы можно другими способами. На старых типах автомагнитол отсутствует дополнительный вход AUX-in, но если он имеется, то его можно использовать для подключения внешних источников звука. Для этого нужно приобрести Wireless Bluetooth Music Receiver. Это небольшая пластмассовая коробочка, на которую установлен штекер Mini jack 3,5 мм. Он вставляется во входное гнездо автомагнитолы. Это устройство позволяет через канал Bluetooth прослушивать музыку или радиотрансляцию с любого устройства. Таким каналом оборудованы все смартфоны и планшеты, а так же большинство моделей старых мобильных телефонов.
Переходник выпускается в двух вариантах:
- с питанием от прикуривателя;
- с встроенным аккумулятором.
Второй вариант предпочтительнее, так как от гнезда автомобильного прикуривателя обычно питается GPS навигатор, а если нужно установить видеорегистратор, то на прикуриватель придётся ставить разветвитель. В результате получится слишком большое количество проводов. Система со встроенным аккумулятором или литиевой батарейкой свободна от этих недостатков. Достаточно не забывать своевременно, менять источник питания.
Другой вариант заключается в использовании FM трансмиттера. Это устройство позволяет слушать музыку с внешних носителей, если автомагнитола оснащена FM тюнером. Трансмиттер является переходным звеном между картой памяти, на которой записаны любимые музыкальные произведения и усилителем звуковой частоты автомобильной магнитолы. Это устройство получает питание от прикуривателя автомобиля. На его передней панели имеется маленький дисплей, на котором высвечивается рабочая частота.
Трансмиттер имеет разъём USB для размещения флэш-карты и слот для установки карт памяти формата Micro SD. Некоторые модели комплектуются пультом дистанционного управления. Электронный блок трансмиттера преобразовывает информацию, записанную на карте памяти в аналоговый сигнал высокой частоты в FM диапазоне. Далее передающий блок транслирует сигнал на FM приёмник автомобильной магнитолы. Несущая частота трансмиттера должна находиться в стороне от частот передающих радиостанций, чтобы исключить влияние помех на сигнал.
Как самому сделать усилитель звука для магнитолы на микросхеме
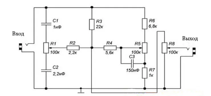
На некоторых старых автомагнитолах отсутствуют такие полезные входы как USB и AUX, поэтому чтобы использовать их в качестве усилителя придётся вынимать устройство из посадочного места и открывать печатную плату. Если нет опыта работы с электронными схемами, то за эту работу браться не стоит. Сначала на плате автомагнитолы нужно найти интегральную микросхему усилителя низкой частоты. Это большая по размерам деталь и единственная, которая устанавливается на радиатор-теплоотвод. На принципиальной схеме и на плате она может обозначаться AMP или POWER AMP. Затем нужно определить входные контакты усилителя. На микросхеме их два – это вход левого канала и вход правого канала. Левый канал может обозначаться Line L или L-in, а правый – Line R или R-in. Определить правильность можно прикоснувшись к каждому контакту пальцем. В соответствующих динамиках будет слышен гул. При этом питание автомагнитолы должно быть включено. Земля или общий провод маркируется надписью Line GND.
Если маркировка на схеме отсутствует можно найти входы каналов непосредственно на микросхеме. Для этого нужно последовательно прикасаться ко всем выводам, ориентируясь на появление гула в динамиках. Припаивать разъём к этим контактам нельзя. Нужно определить точки подключения разделительных конденсаторов и уже к ним припаивать провода.
Распайка каналов на штекере и гнезде должна выполняться экранированным проводом по следующей схеме.
Сделанный своими руками усилитель звука из магнитолы можно использовать с любым внешним источником звука. Регулировки тембра в такой конструкции отсутствуют, поскольку сигнал подаётся непосредственно на вход оконечного усилителя, минуя эквалайзер. Для того чтобы снизить уровень шумов следует обрезать дорожки идущие к конденсаторам С1 и С2 от предварительного усилителя головки воспроизведения.
Если в автомобиле установлена новая магнитола, из старой можно сделать компактный усилитель звуковой частоты. Чтобы собрать усилитель звука из магнитолы нужно удалить всё лишнее и ненужное.
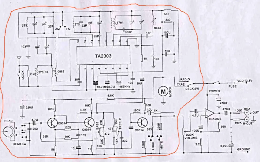
Как собрать усилитель звука из магнитолы можно понять по рисунку. Автомобильная магнитола ZXM8330-PA собрана на двух микросхемах и трёх транзисторах. FM тюнер собран на микросхеме ТА2003, а оконечный усилитель на микросхеме TDA2003. Радиоприёмную часть и первый транзистор в каскаде предварительного усиления сигнала с магнитной головки можно сразу исключить. Провод питания электродвигателя так же нужно обрезать. Так же перерезается печатная дорожка питания тюнера, идущая от переключателя «Radio»-«Tape» и дорожка с выхода микросхемы на коллектор второго транзистора. С оставшимися элементами схемы можно экспериментировать. Если внешнее устройство, которое будет подключаться к усилителю, имеет достаточно мощный выходной сигнал, то его следует подключать к верхнему по схеме выводу переменного резистора «VOLUME»
Для подачи слабого сигнала можно использовать коллектор второго транзистора, то есть ту точку, куда подавался сигнал с тюнера. В этом случае будут работать регулировки тембра и переключатель ограничения громкости «Mute». Цепь питания первого и второго транзисторов нужно разорвать. В автомобиле питание всей электроники осуществляется от аккумулятора. Если усилитель будет эксплуатироваться как отдельное устройство, ему потребуется простой источник питания на 12-18 В. Усилитель обеспечивает выходную мощность 6 W на динамической головке сопротивлением 4 Ом и 10 W на двухомном динамике. Максимальный потребляемый ток 3,5 А. По аналогичному принципу можно сделать своими руками усилитель из любой автомагнитолы. Главное это правильно определить входные цепи и отключить от входа все лишние каскады, которые могут быть источниками шумов. Особенно это касается каскадов усиления тракта воспроизведения. Работа со стереофоническими системами немного сложнее, но методика остаётся такой же.







